Vous avez bien lu! Non seulement notre système Sigenergy vous permet d’utiliser votre véhicule électrique pendant des jours pour alimenter votre maison en cas de panne électrique (V2H), mais il est dorénavant certifié et légal pour vous d’alimenter le réseau d’Hydro-Québec (donc fournir de l’énergie à vos voisins), ce qu’on prénomme le V2G (Vehicle to Grid)!
Le 22 décembre, juste avant Noël, j’ai tourné une vidéo spéciale directement de ma résidence personnelle. Pourquoi? Pour vous montrer EN ACTION notre système Sigenergy complet – celui-là même qui vient de devenir le premier système résidentiel V2G certifié par Hydro-Québec. Mais au-delà de cette certification historique, je voulais surtout vous faire une démonstration concrète de ce que ça change dans la vraie vie.
Ce que vous allez découvrir dans la vidéo
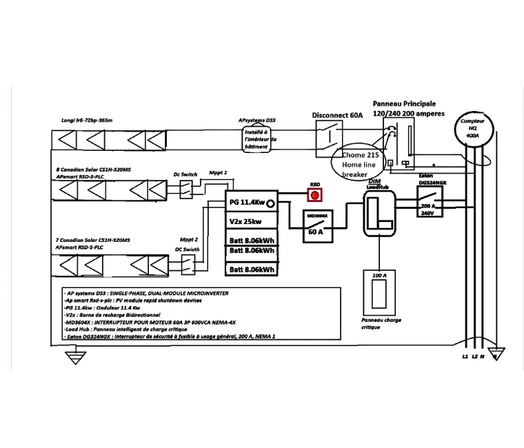
D’abord, je vous montre en temps réel sur mon iPad comment le système gère l’énergie. Le jour de la démo : ma maison consommait 5 kW, les batteries stationnaires à 37% alimentaient tout, zéro consommation sur le réseau d’Hydro. Les panneaux solaires? Couverts de neige au solstice d’hiver – seulement 2 kWh produits versus 40-50 kWh l’été!
Mais voici où ça devient intéressant : avec l’application installateur sur mon téléphone, je vous montre comment j’ai activé l’injection réseau en temps réel. Résultat? Boom! 17 kW injectés instantanément dans le réseau d’Hydro-Québec – mes voisins utilisaient littéralement l’électricité de mes batteries!
Les choix stratégiques que j’ai faits (et pourquoi)
Dans la vidéo, j’explique pourquoi j’ai choisi le mesurage net sans compensation. Contre-intuitif? Pas du tout! L’an dernier, le crédit hivernal m’a rapporté 1 400$. Cette année, je vise 2 000$ – l’équivalent de la production annuelle de 40 panneaux solaires de 500W bien orientés!
Le paradoxe d’Hydro-Québec? Tu ne peux pas combiner mesurage net avec compensation ET crédit hivernal. Après des dizaines de discussions avec leurs équipes, personne n’a pu m’expliquer pourquoi. Alors j’ai fait mon calcul : 120 heures d’événements hivernaux payants versus donner mon surplus gratuitement? Le choix était facile puisque le surplus de la production d’énergie de mes panneaux solaires serviront à recharger mes batteries stationnaires, et ensuite, lorsque pleines, le surplus d’énergie peut aller automatiquement dans mes véhicules électriques. Je m’attends à ce que ma facture annuelle d’Hydro-Québec passe de 4500$ à … 500$! Ainsi, ma «génératrice» à batterie sera rentabilisée en moins de 10 ans!
La nouvelle réalité légale (attention, c’est important!)
Depuis juillet 2025, c’est obligatoire : TOUT système de batteries ou onduleur DOIT être déclaré au département d’autoproduction d’Hydro-Québec. Même si vous n’injectez pas. Même si c’est certifié CSA. Pas de déclaration = illégal.
Pourquoi? Les produits cheap d’Alibaba créent des harmoniques dangereuses sur le réseau. Certains consommateurs achètent des produits de qualité douteuse et non certifiés sur Internet, donc attention! Hydro-Québec voit tout, et c’est aussi pour protéger nos monteurs de ligne. Dans la vidéo, je vous explique exactement comment faire cette déclaration avec votre électricien.
Le moment historique : démarrage du V2G
La fin de la vidéo, c’est le clou du spectacle : on s’apprête à démarrer la recharge bidirectionnelle avec mon F-150 Lightning. Pour la première fois au Québec, légalement et officiellement, un véhicule électrique va alimenter le réseau d’Hydro-Québec!
Compatible avec le Lightning, le Mach-E, certains Tesla, et même mon nouveau Dodge Charger (fait au Canada!), cette technologie transforme votre VÉ en centrale électrique mobile.
Les bonnes nouvelles pour 2026
Hydro-Québec vient de sortir un guide vulgarisé (17 décembre) et annonce des subventions pour 2026. Notre onduleur Sigenergy? Moins de 4 000$ avec 4 MPPT – imbattable sur le marché. On a déjà une dizaine de clients certifiés et une vingtaine de partenaires électriciens à travers le Québec.
Guide d’application de la norme E.12-07

Pourquoi vous devez voir cette démo
Ce n’est pas juste une annonce ou de la théorie – c’est MON système, dans MA maison, avec MES vraies données de consommation et MES économies réelles. Je vous montre l’application, les paramètres techniques, l’injection en direct, tout!
👉 Regardez la vidéo complète pour voir:
- La démo en temps réel sur iPad et téléphone
- L’activation de l’injection réseau (17 kW en direct!)
- Mes vrais chiffres de crédit hivernal
- Le démarrage du V2G avec le F-150 Lightning
- Les détails techniques que votre électricien doit savoir
C’est du concret, du vécu, du testé. Pas des promesses marketing – ma vraie installation qui tourne 24/7 chez moi.
Abonnez-vous à notre chaîne Youtube pour tout savoir sur les nouveautés.













